Round Star Cutterheads HW
Article
Description
Machine / Application
- spindle moulder
- for profiling of solid woods and wood-based panels
Design
- cutting edges parallel to cutter axis
- cutting material: HW HL Solid 20
- high-tensile aluminum body
- chip limiter design
Advantages
Notes
- application against feed
|
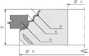
R
[mm] |
Ø D
[mm] |
B
[mm] |
Ø d
[mm] |
Z | Type |
nmin-nmax
[min-1] |
Ident-No. | Comp./ Inqu. | |
|---|---|---|---|---|---|---|---|---|---|
|
Dimensions entered are not listed?
available from stock |
|||||||||
| 4, 6, 8, 10 | 180 | 50 | 30 | 2 | 1 | 4600-7800 | 50661672 | ||
| 2, 3, 5 | 140 | 32 | 30 | 2 | 2 | 5400-6400 | 50661673 | ||
